Продаём замки с 1996 года
Показать фильтр
Скрыть фильтр
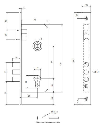
Замок врезной 2200/60-G Апекс
Kale Корпус замка 152R-85BS45-23NP-(SP,Ros) (без цилиндра) STB 152R4500450
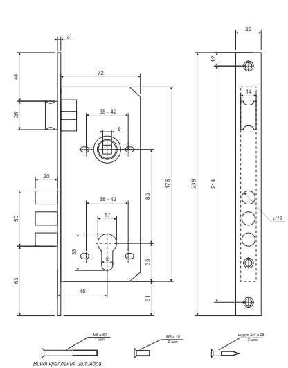
Замок врезной 2200/70-G Апекс
PALLADIUM Замок врезной 2000 CP (хром)
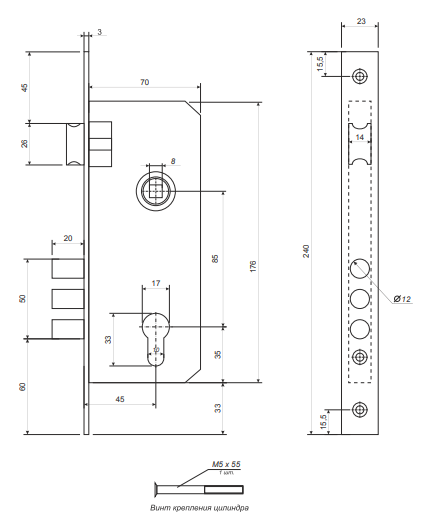
Замок врезной 2600-CR Апекс
Kale Корпус замка 152R/3MR-85BS45-23NP-(SP,DRos) (без цилиндра) STB 152R4500254
PALLADIUM Замок врезной 2000 AB (бронза)
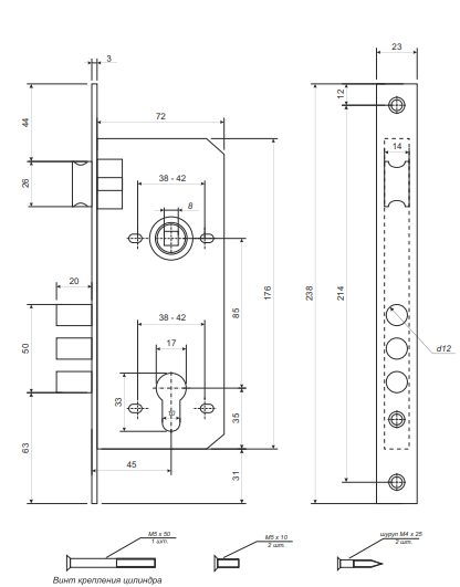
Замок врезной 2600-G Апекс
Kale Корпус замка 152R/3MR-85BS45-23BP-(w/oSP,w/oRos) (без цилиндра) STB 152R4500565
Kale Корпус замка 152/3MR-85BS45-23BP-(SP,Ros) (без цилиндра) STB 152R4500253
KZ-01S Замок врезной для китайской двери (универсальный)
Н-М Корпус замка КЗВР-1 (68 мм) хром для китайских металлических дверей
KZ-02R Замок врезной для китайской двери (универсальный)
MSM Замок для китайских дверей ML68/60 CP
MSM Замок для китайских дверей ML68/60T CP
MSM Замок для китайских дверей ML68/60K CP (круглый ригель)