Продаём замки с 1996 года
Показать фильтр
Скрыть фильтр
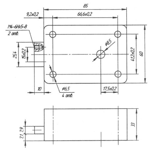
Замок сейфовый “Барьер” “СИ-600” (2 ключа)
Замок врезной Гардиан ПРОФИ 25.01.24 г.Йошкар-Ола
Замок сейфовый Барьер СИ-600 (2 ключа)