Продаём замки с 1996 года
Показать фильтр
Скрыть фильтр
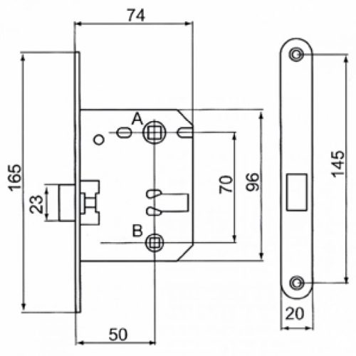
Защёлка дверная сантехническая, L 2070 PC (хром)
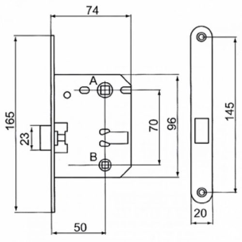
Защёлка дверная сантехническая, L 2070 PB (золото)